隨著機床裝備技術的發展,高精度、高效率成為當前機械行業的重要技術特點,機床滾珠絲杠支承軸承逐漸放棄傳統的配對角接觸球的結構模式,轉而采用滾針/推力圓柱滾子軸承的結構形式。
滾針/推力圓柱滾子軸承采用外圈加厚的滾針軸承和兩列推力圓柱滾子軸承的組合結構,可以承受更大的徑向/軸向載荷,具備更高的徑向/軸向剛性,同時該系列軸承軸向跳動精度可達1μm,特別符合當前機械加工行業所要求的高精度,高承載,高效率的特點。
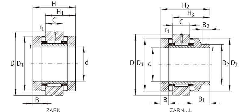
產品特性
滾針/推力圓柱滾子軸承包括一個加厚的外圈、滾針保持器組件、滾針內圈、兩個推力圓柱滾子保持器組件和兩個推理軸圈,相當于一套滾針軸承和兩套推力圓柱滾子軸承的組合軸承,兩個推力圓柱滾子軸承中心和滾針軸承中心重合。
滾針/推力圓柱滾子軸承可以承受兩個方向的軸向力、徑向力和傾覆力矩。
滾針/推力圓柱滾子軸承按照外圈安裝方式的差異可以分為螺栓安裝和非螺栓安裝兩個類型系列。
產品名稱:ZARN系列
參數:

| 軸徑 mm | 公稱型號 | 重量 g | 公稱型號 | 重量 g | 尺寸 | 基本額定載荷 | 極限轉速 | 擰緊 力矩 Nm | 摩擦 力矩 Nm | ||||||||||||||||||
| d | D | H | H1 | H2 | H3 | C | D1 | D2 | D3 | B | B1 | B2 | r | r1 | 徑向 | 軸承 | 油rpm | 脂rpm | |||||||||
| 動Cr KN | 靜Cor KN | 動Cr KN | 靜Cor KN | ||||||||||||||||||||||||
| 15 | ZARN 1545TN | 340 | ZARN 1545LTN | 370 | 15 | 45 | 40 | 28.0 | 53 | 41.0 | 16 | 35 | 24 | 34 | 8.0 | 21.0 | 11 | 0.3 | 0.6 | 14.3 | 19.6 | 23.5 | 64.3 | 8500 | 2200 | 10 | 0.35 |
| 17 | ZARN 1747TN | 370 | ZARN 1747LTN | 410 | 17 | 47 | 43 | 29.5 | 57 | 43.5 | 16 | 38 | 28 | 38 | 9.5 | 23.5 | 11 | 0.3 | 0.6 | 15.4 | 22.1 | 24.3 | 69.3 | 7800 | 2100 | 12 | 0.4 |
| 20 | ZARN 2052TN | 410 | ZARN 2052LTN | 460 | 20 | 52 | 46 | 31.0 | 60 | 45.0 | 16 | 42 | 30 | 40 | 10.0 | 24.0 | 11 | 0.3 | 0.6 | 14.1 | 20.6 | 27.4 | 77.0 | 7000 | 2000 | 18 | 0.5 |
| ZARN 2062TN | 870 | ZARN 2062LTN | 990 | 20 | 62 | 60 | 40.0 | 75 | 55.0 | 20 | 52 | 40 | 50 | 13.0 | 28.0 | 11 | 0.3 | 0.6 | 22.6 | 38.0 | 64.0 | 141.0 | 6000 | 1500 | 38 | 1.3 | |
| 25 | ZARN 2557TN | 530 | ZARN 2557LTN | 590 | 25 | 57 | 50 | 35.0 | 65 | 50.0 | 20 | 47 | 36 | 45 | 10.0 | 25.0 | 11 | 0.3 | 0.6 | 24.8 | 39.8 | 30.5 | 93.5 | 6000 | 1900 | 25 | 0.55 |
| ZARN 2572TN | 1170 | ZARN 2572LTN | 1320 | 25 | 72 | 60 | 40.0 | 75 | 55.0 | 20 | 62 | 48 | 60 | 12.0 | 27.0 | 11 | 0.3 | 0.6 | 24.8 | 41.4 | 80.0 | 199.0 | 4900 | 1400 | 55 | 1.6 | |
| 30 | ZARN 3062TN | 600 | ZARN 3062LTN | 750 | 30 | 62 | 50 | 35.0 | 65 | 50.0 | 20 | 52 | 40 | 50 | 10.0 | 25.0 | 11 | 0.3 | 0.6 | 24.3 | 41.5 | 39.0 | 101.0 | 5500 | 1800 | 32 | 0.65 |
| ZARN 3080TN | 1500 | ZARN 3080LTN | 1700 | 30 | 80 | 66 | 43.0 | 82 | 59.0 | 20 | 68 | 52 | 66 | 15.0 | 31.0 | 12 | 0.3 | 0.6 | 25.9 | 45.8 | 75.7 | 221.0 | 4400 | 1300 | 75 | 2.1 | |
| 35 | ZARN 3570TN | 800 | ZARN 3570LTN | 930 | 35 | 70 | 54 | 37.0 | 70 | 53.0 | 20 | 60 | 45 | 58 | 11.0 | 27.0 | 12 | 0.3 | 0.6 | 26.0 | 47.0 | 45.9 | 105.4 | 4800 | 1700 | 42 | 0.9 |
| ZARN 3585TN | 1850 | ZARN 3585LTN | 1800 | 35 | 85 | 66 | 43.0 | 82 | 59.0 | 20 | 73 | 60 | 73 | 14.0 | 30.0 | 12 | 0.3 | 0.6 | 28.0 | 52.7 | 78.2 | 237.6 | 4000 | 1250 | 100 | 2.3 | |
| 40 | ZARN 4075TN | 900 | ZARN 4075LTN | 1000 | 40 | 75 | 54 | 37.0 | 70 | 53.0 | 20 | 65 | 50 | 63 | 11.0 | 27.0 | 12 | 0.3 | 0.6 | 27.5 | 53.0 | 59.0 | 163.0 | 4000 | 1600 | 500 | 1 |
| ZARN 4090TN | 2090 | ZARN 4090LTN | 2390 | 40 | 90 | 75 | 50.0 | 93 | 68.0 | 25 | 78 | 60 | 78 | 16.0 | 34.0 | 12 | 0.3 | 0.6 | 40.9 | 72.5 | 84.2 | 269.0 | 3700 | 1200 | 120 | 2.5 | |
| 45 | ZARN 4580TN | 1120 | ZARN 4580LTN | 1270 | 45 | 80 | 60 | 42.5 | 75 | 57.5 | 25 | 70 | 50 | 68 | 11.5 | 26.5 | 12 | 0.3 | 0.6 | 38.0 | 74.0 | 61.0 | 177.0 | 4000 | 1500 | 65 | 1.2 |
| ZARN 45105TN | 3020 | ZARN 45105LTN | 3420 | 45 | 105 | 82 | 53.5 | 103 | 74.5 | 25 | 90 | 56 | 88 | 17.5 | 38.5 | 14 | 0.3 | 0.6 | 40.0 | 82.0 | 154.0 | 405.0 | 3300 | 1150 | 150 | 3.5 | |
| 50 | ZARN 5090TN | 1430 | ZARN 5090LTN | 1780 | 50 | 90 | 60 | 53.5 | 78 | 60.5 | 25 | 78 | 70 | 78 | 11.5 | 29.5 | 12 | 0.3 | 0.6 | 40.0 | 82.0 | 90.0 | 300.0 | 3600 | 1200 | 85 | 2.2 |
| ZARN 50110TN | 3300 | ZARN 50110LTN | 3750 | 50 | 110 | 82 | 53.5 | 103 | 74.5 | 25 | 95 | 60 | 93 | 17.5 | 38.5 | 14 | 0.3 | 0.6 | 45.4 | 88.1 | 119.3 | 387.0 | 3100 | 1100 | 180 | 3.8 | |
| 55 | ZARN 55115TN | 3500 | ZARN 55115LTN | 4000 | 55 | 115 | 82 | 53.5 | 103 | 74.5 | 25 | 100 | 75 | 98 | 17.5 | 38.5 | 14 | 0.3 | 0.6 | 49.0 | 109.1 | 126.0 | 369.0 | 2900 | 1000 | 220 | 4 |
| 60 | ZARN 60120TN | 3700 | ZARN 60120LTN | 4850 | 60 | 120 | 82 | 53.5 | 103 | 74.5 | 25 | 105 | 80 | 105 | 17.5 | 38.5 | 16 | 0.3 | 0.6 | 54.9 | 118.6 | 141.0 | 505.0 | 2700 | 950 | 250 | 4.2 |
| 65 | ZARN 65125TN | 4000 | ZARN 65125LTN | 4600 | 65 | 125 | 82 | 53.5 | 103 | 74.5 | 25 | 110 | 90 | 108 | 17.5 | 38.5 | 16 | 0.3 | 0.6 | 54.2 | 100.8 | 126.2 | 441.4 | 2600 | 900 | 270 | 4 |
| 70 | ZARN 70130TN | 4100 | ZARN 70130LTN | 4650 | 70 | 130 | 82 | 53.5 | 103 | 74.5 | 25 | 115 | 100 | 115 | 17.5 | 38.5 | 16 | 0.3 | 0.6 | 69.6 | 143.5 | 143.0 | 532.0 | 2400 | 800 | 330 | 4.8 |
| 75 | ZARN 75155TN | 7900 | ZARN 75155LTN | 9100 | 75 | 155 | 100 | 65.0 | 125 | 90.0 | 30 | 135 | 115 | 135 | 21.0 | 46.0 | 16 | 0.3 | 1.0 | 95.0 | 193.0 | 290.0 | 890.0 | 2100 | 700 | 580 | 8 |
| 90 | ZARN 90180TN | 11800 | ZARN 90180LTN | 13200 | 90 | 180 | 110 | 72.5 | 135 | 94.5 | 35 | 160 | 130 | 158 | 22.5 | 47.5 | 16 | 0.3 | 1.0 | 101.0 | 256.0 | 320.0 | 1172.0 | 1800 | 700 | 980 | 10.5 |



